igbt驅動電路圖,igbt工作原理詳解-KIA MOS管
信息來源:本站 日期:2025-12-26
IGBT有N溝道型和P溝道型兩種,主流的N溝道IGBT的電路圖符號及其等效電路如下:
當柵極G為高電平時,NMOS導通,所以PNP的CE也導通,電流從CE流過。
當柵極G為低電平時,NMOS截止,所以PNP的CE截止,沒有電流流過。
IGBT與MOSFET不同,內部沒有寄生的反向二極管,因此在實際使用中(感性負載)需要搭配適當的快恢復二極管。
IGBT綜合了(BJT)雙極型三極管和絕緣柵型場效應管(MOS)兩種器件的優點,驅動功率小而飽和壓降低。非常適合應用于直流電壓為600V及以上的變流系統如交流電機、變頻器、開關電源、照明電路、牽引傳動等領域。
IGBT最主要的作用就是把高壓直流變為交流,以及變頻(所以用在電動車上比較多)。
IGBT的驅動電路是IGBT與控制電路之間的接口,實現對控制信號的隔離、放大和保護,驅動電路對IGBT的正常工作及其保護起著非常重要的作用。
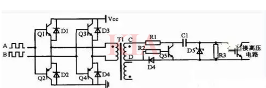
分立式IGBT驅動電路
電路如圖所示,在電路簡圖中:Q1,Q3為NPN型三極管,Q2,Q4為PNP型三極管,D1~D4為保護二極管,二路PWM控制信號A,B為高電平或低電平,即A為高電平,B為低電平時,Q1、Q4導通,Q2、Q3關斷,此時,Q1、Q4和T1原邊繞組就形成通路,脈沖電壓加在T1的原邊,與原邊同相位的次邊得到開通驅動信號,與原邊相反的次邊得到關斷驅動信號。這些部分的作用是將A、B信號推挽放大,并通過隔離變壓器T1將驅動信號發生電路與高壓電路隔離。
聯系方式:鄒先生
座機:0755-83888366-8022
手機:18123972950(微信同號)
QQ:2880195519
聯系地址:深圳市龍華區英泰科匯廣場2棟1902
搜索微信公眾號:“KIA半導體”或掃碼關注官方微信公眾號
關注官方微信公眾號:提供 MOS管 技術支持
免責聲明:網站部分圖文來源其它出處,如有侵權請聯系刪除。
